Магнетроны для радаров

Подбор параметров

Бренд
Тип
Мощность
  
Магнетрон в судовой РЛС является источником электромагнитного сигнала высокой мощности. Магнетрон работает либо в импульсном режиме, формируя повторяющиеся короткие мощные электромагнитные импульсы, либо излучает непрерывный электромагнитный сигнал.

Случается так, что магнетрон выходит из строя во время рейса. Желательно заранее оценивать оставшийся ресурс и иметь на борту магнетрон в запасе для замены. В среднем работа магнетрона на передачу должна быть 3000 часов.

Исходя из опыта: S-band радары имеют ресурс до 4000 часов, а x-band до 10000 часов. На каждой современной РЛС отображается время наработки магнетрона. Также важно следить за наработкой двигателя -  производители гарантируют работу до 10000 часов, но по факту работа составляет 20000-30000 часов.

Замена магнетронов должна производиться квалифицированными специалистами. Вы можете вызвать специалиста отправив запрос на электронную почту service@cirspb.ru. По вопросам обращаться в сервисный отдел по телефонам в Санкт-Петербурге (+7 812) 679-09-10 и +79045531441, в Петрозаводске: (+7 8142) 57-80-30 и (+7 8142) 57-00-03.

Инструкция по замере магнетрона на РЛС JRC

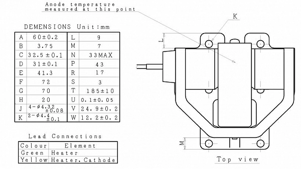
Магнетрон MG5436 X-Band
Магнетрон MG5436 X-Band

Магнетрон MG5424 X-Band
Магнетрон MG5424 X-Band

Магнетрон MG5223 S-Band
Магнетрон MG5223 S-Band

Магнетрон MG5241/MG4010 X-Band
Магнетрон MG5241/MG4010 X-Band

Магнетрон M5089T X-Band
Магнетрон M5089T X-Band

Магнетрон MG5241
Магнетрон MG5241

Магнетрон MG5473
Магнетрон MG5473
MG5241F X-Band Магнетрон
MG5241F X-Band Магнетрон

Магнетрон  MG5264 X-Band
Магнетрон MG5264 X-Band

Магнетрон MSF 1425B
Магнетрон MSF 1425B

Магнетрон MAF1565N
Магнетрон MAF1565N

Магнетрон M1568BS
Магнетрон M1568BS

Магнетрон MG5223F S-Band
Магнетрон MG5223F S-Band

Магнетрон MAF1425B
Магнетрон MAF1425B

Магнетрон M1555
Магнетрон M1555

Магнетрон Gen4 MG40xx X-Band
Магнетрон Gen4 MG40xx X-Band

Магнетрон MG6090
Магнетрон MG6090

Магнетрон E3588
Магнетрон E3588
Магнетрон MSF 1425A
Магнетрон MSF 1425A

MG5494 X-Band Магнетрон
MG5494 X-Band Магнетрон

Магнетрон MG5193
Магнетрон MG5193

Магнетрон MAF1421B
Магнетрон MAF1421B

Магнетрон MSF1421B
Магнетрон MSF1421B

Магнетрон M1302L
Магнетрон M1302L

Магнетрон MG7095
Магнетрон MG7095

Магнетрон MSF1422B
Магнетрон MSF1422B

Магнетрон M1437(A)
Магнетрон M1437(A)

Магнетрон 2J55
Магнетрон 2J55

Магнетрон M1302/M5020
Магнетрон M1302/M5020

Магнетрон 9M31
Магнетрон 9M31

Магнетрон M1475A
Магнетрон M1475A

Магнетрон M1302A
Магнетрон M1302A

Магнетрон M1458A
Магнетрон M1458A

Магнетрон M118
Магнетрон M118

Магнетрон MG5230T X-Band
Магнетрон MG5230T X-Band

Магнетрон  MG5389 X-Band
Магнетрон MG5389 X-Band

Магнетрон M1458
Магнетрон M1458

Магнетрон M1901A
Магнетрон M1901A

Магнетрон M1311L
Магнетрон M1311L

Магнетрон MAF1422B
Магнетрон MAF1422B

M5187F X-Band Магнетрон
M5187F X-Band Магнетрон

Магнетрон MAF1452B
Магнетрон MAF1452B

Магнетрон MG5125P
Магнетрон MG5125P

MG5242T X-Band Магнетрон
MG5242T X-Band Магнетрон

Магнетрон MAF1615B
Магнетрон MAF1615B

Магнетрон MG5125
Магнетрон MG5125

MG5388S X-Band Магнетрон
MG5388S X-Band Магнетрон

Магнетрон 2J70B
Магнетрон 2J70B

MG5218 X-Band Магнетрон
MG5218 X-Band Магнетрон

Магнетрон M1976
Магнетрон M1976

Магнетрон MG6028
Магнетрон MG6028

Магнетрон MG5240 (MG5240F) S-Band
Магнетрон MG5240 (MG5240F) S-Band

Магнетрон M1926
Магнетрон M1926

Магнетрон M1568B(J)
Магнетрон M1568B(J)

M5187 X-Band Магнетрон
M5187 X-Band Магнетрон

Магнетрон M1976B
Магнетрон M1976B

Магнетрон MAF1562R
Магнетрон MAF1562R

Магнетрон M1489
Магнетрон M1489

Магнетрон MG2025
Магнетрон MG2025

MG5437 X-Band Магнетрон
MG5437 X-Band Магнетрон

Магнетрон M1901S
Магнетрон M1901S

Магнетрон M1901H
Магнетрон M1901H

Магнетрон M1941
Магнетрон M1941

Магнетрон MAF1610B
Магнетрон MAF1610B

Магнетрон M1621B
Магнетрон M1621B

Магнетрон M1325L/M5187
Магнетрон M1325L/M5187

MG5238A/B X-Band Магнетрон
MG5238A/B X-Band Магнетрон

MG5257 X-Band Магнетрон
MG5257 X-Band Магнетрон

Магнетрон M1461
Магнетрон M1461

Магнетрон MG5028
Магнетрон MG5028

Магнетрон MG5244 X-Band
Магнетрон MG5244 X-Band

Магнетрон MG5256 X-Band
Магнетрон MG5256 X-Band

Магнетрон MG8076
Магнетрон MG8076

Магнетрон MG5222 X-Band
Магнетрон MG5222 X-Band

MG5258 X-Band Магнетрон
MG5258 X-Band Магнетрон

Магнетрон  MG5239T X-Band
Магнетрон MG5239T X-Band

Магнетрон MG5271 X-Band
Магнетрон MG5271 X-Band

Магнетрон M5199 X-Band
Магнетрон M5199 X-Band

Магнетрон MG5125X
Магнетрон MG5125X

Магнетрон MAF1611B
Магнетрон MAF1611B

Магнетрон MG5245 X-Band
Магнетрон MG5245 X-Band

MG5243 X-Band Магнетрон
MG5243 X-Band Магнетрон

MG5265 X-Band Магнетрон
MG5265 X-Band Магнетрон

Магнетрон MG5231T X-Band
Магнетрон MG5231T X-Band

MG5233 X-Band Магнетрон
MG5233 X-Band Магнетрон

M5068 X-Band Магнетрон
M5068 X-Band Магнетрон