Магнетрон M1458
Магнетрон M1458
Под заказ
Уточняйте стоимость у менеджеров
Документация
Магнетрон M1458
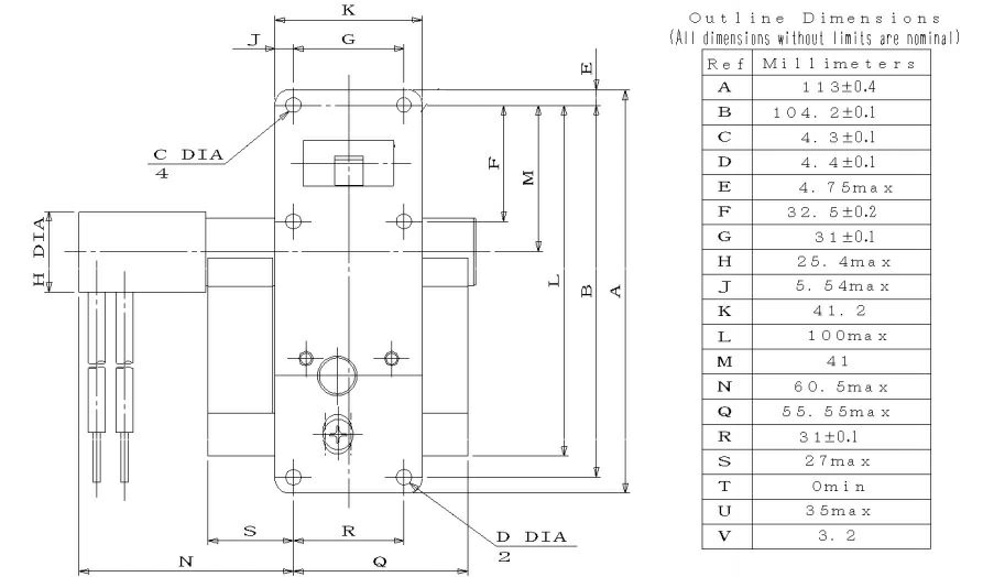
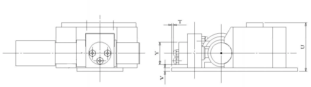
Магнетрон M1458 предназначен для X-band диапазона радиолокационной системы. Диапазон частот фиксируется 9380-9440MГц и максимальная выходная мощность 25кВт. Если входная мощность больше, чем 25 Вт, напряжение нагревателя должно быть уменьшено в течение 3 секунд после применения.
Магнетрон M1458 - простой, удобный и компактный в использовании и эксплуатации. Соответствует всем стандартам качества и постоянно проходит проверку производителем.
| Дополнительная информация |
| Сводная таблица магнетронов |
| Как заменить магнетрон на РЛС |
| Диапазон частот | 9380-9440 МГц |
| Максимальная выходная мощность | 25 кВт |
| Длительность импульса | 1 мкс |
| Рабочий цикл | 0.001 |
| Анодное напряжение | 8 кВ |
| Максимальный анодный ток | 8 А |
| Напряжение нагревателя | 6.3 В |
| Ток нагревателя | 0.52 А |
| Скорость нарастания напряжения импульса | 100 кВ/мкс |
| Температура анода | 120 °C |
| Вес | 1.4 кг |
Другие товары категории