Магнетрон 2J55
Магнетрон 2J55
Под заказ
Уточняйте стоимость у менеджеров
Документация
Магнетрон 2J55
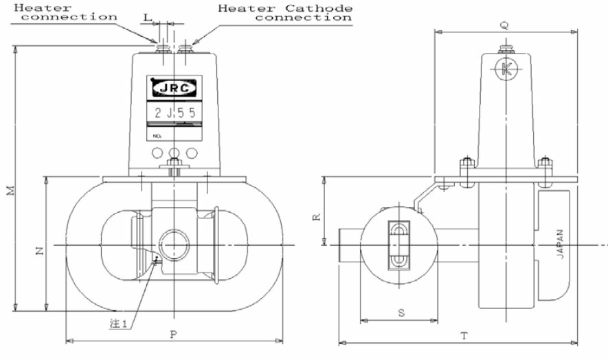
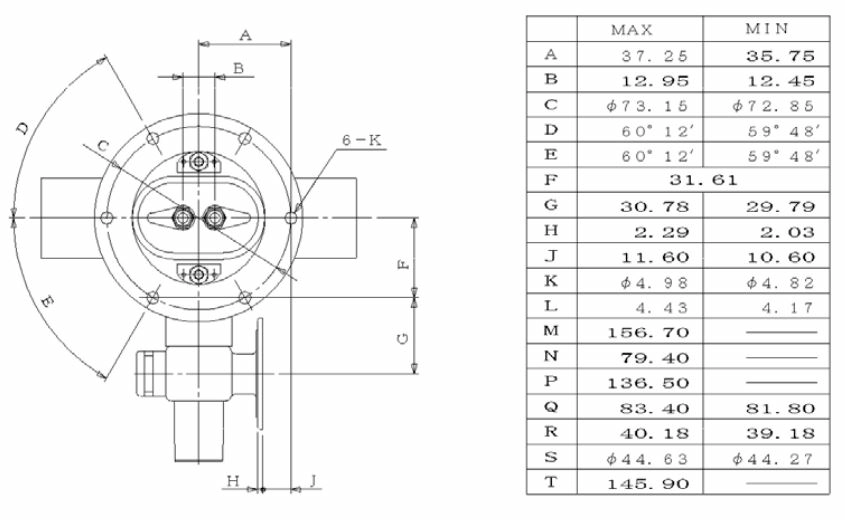
2J55 является магнетроном с фиксированной частотой Х-диапазона, предназначенный для работы на частотах от 9345 до 9405 МГц с пиковой выходной мощностью 50 кВт. Магнетрон 2J55 оснащен принудительным воздушным охлаждением.
Магнетрон 2J55 - простой, удобный и компактный в использовании и эксплуатации. Соответствует всем стандартам качества и постоянно проходит проверку производителем.
| Дополнительная информация |
| Сводная таблица магнетронов |
| Как заменить магнетрон на РЛС |
| Диапазон частот | 9380-9405 МГц |
| Максимальная выходная мощность | 50 кВт |
| Длительность импульса | 1 мкс |
| Рабочий цикл | 0.001 |
| Анодное напряжение | 12 кВ |
| Максимальный анодный ток | 12 А |
| Напряжение нагревателя | 6.3 В |
| Ток нагревателя | 1 А |
| Вес | 1.9 кг |
Другие товары категории