Магнетрон MG5193
Магнетрон MG5193
Под заказ
Уточняйте стоимость у менеджеров
Документация
Магнетрон MG5193
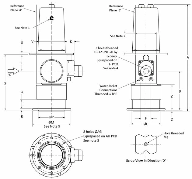
Магнетрон MG5193 работает на частотах 2993 - 3002 МГц с максимальной выходной мощностью 2600 кВт, предназначен для линейных ускорителей.
Магнетрон MG5193 охлаждается водой и имеет встроенный водостойкий чехол. Температура воды на выходе не должна превышать 50 C. MG5193 может быть использован при более низких уровнях мощности путем снижения магнитного поля (которое контролирует пик напряжения) и пикового тока; это необходимо для поддержания хорошего радиочастотного спектра и постоянного сопротивления.

| Дополнительная информация |
| Сводная таблица магнетронов |
| Как заменить магнетрон на РЛС |
| Максимальное анодное напряжение | 48 кВ |
| Максимальный анодный ток | 110 А |
| Входная мощность | 6,0 кВт |
| Продолжительность импульса | 5,0 мс |
| Скорость нарастания напряжения импульса | 120 кВ / мс |
| Диапазон воспроизводимых частот | 2993 до 3002 МГц |
| Средняя выходная мощность | 2600 кВт |
| Напряжение нагревателя | 10 В |
| Вес | 8 кг |
Другие товары категории