Магнетрон 9M31
Магнетрон 9M31
Под заказ
Уточняйте стоимость у менеджеров
Документация
Магнетрон 9M31
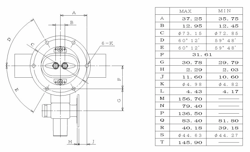
9M31 является магнетроном Х-диапазона РЛС, предназначенным для работы в диапазоне частот от 9,38 до 9.44GHz с пиковой выходной мощностью 50 кВт.
Компактный, прочный и легкий магнетрон 9M31 соответствует стандартам качества и постоянно проходит проверки производителем.
| Дополнительная информация |
| Сводная таблица магнетронов |
| Как заменить магнетрон на РЛС |
| Диапазон частот | 9380-9440 МГц |
| Максимальная выходная мощность | 50 кВт |
| Длительность импульса | 1 мкс |
| Рабочий цикл | 0,001 |
| Анодное напряжение | 12 кВ |
| Максимальный анодный ток | 12 А |
| Напряжение нагревателя | 6,3 В |
| Ток нагревателя | 1 А |
| Вес | 1,9 кг |
Другие товары категории