Магнетрон MAF1615B

Магнетрон MAF1615B

Под заказ

Уточняйте стоимость у менеджеров

Уточнить стоимость
Документация
Магнетрон MAF1615B 
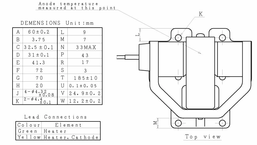
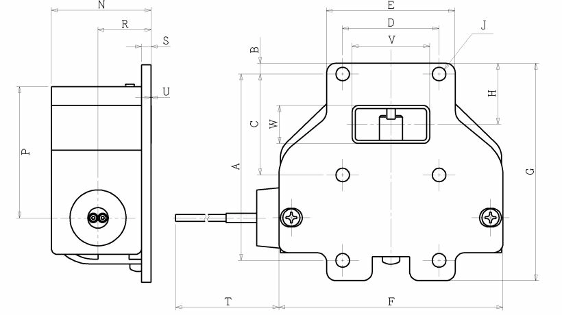
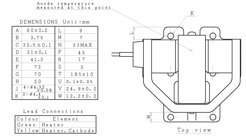
Магнетрон MAF1615B - компактный, лёгкий, прочный, предназначен для работы в радиолокационной системе с фиксированным частотным диапазоном 9380 - 9440MHz и максимальной выходной мощностью 12кВт. Снижение напряжения нагревателя при эксплуатации не требуется.
 
Качество продукции постоянно контролируется производителем. Магнетроны проходят обязательное тестирование на соответствие стандартам качества.
   

Магнетрон MAF1615B

Магнетрон MAF1615B

Дополнительная информация
Сводная таблица магнетронов
Магнетроны для радаров. Каталог продукции E2V (EEV)
Как заменить магнетрон на РЛС

 


Пиковый анодный ток 5,8 А
Средняя потребляемая мощность анода 40 Вт
Рабочий цикл 0,001
Длительность импульса 1,25 мкс
Скорость нарастания напряжения импульса 80 кВ/мкс
Время разогрева 65 с
Напряжение нагревателя 6,3 В
Вес 0,4 кг

Другие товары категории