Магнетрон M1475A

Магнетрон M1475A

Под заказ

Уточняйте стоимость у менеджеров

Уточнить стоимость
Документация
Магнетрон M1475A

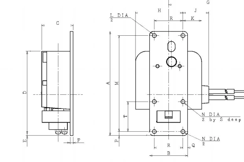
Магнетрон M1475A - компактный, прочный и легкий, работает в X-band диапазоне радиолокационной системы на частотах 9345 - 9405MГц с пиковой выходной мощностью 25кВт. Если входная мощность больше, чем 25 Вт, напряжение нагревателя должно быть уменьшено в течение 3 секунд после применения.

Магнетрон M1475A постоянно контролируется производителем и проходит обязательное тестирование на соответствие стандартам качества. 

Магнетрон M1475A

Магнетрон M1475A

Дополнительная информация
Сводная таблица магнетронов
Как заменить магнетрон на РЛС

 


Диапазон частот 9345-9405 МГц
Максимальная выходная мощность 25 кВт
Длительность импульса 1 мкс
Рабочий цикл 0,001
Анодное напряжение 8 кВ
Максимальный анодный ток 8 А
Напряжение нагревателя 6,3 В
Ток нагревателя 0,52 А
Вес 0,7 кг

Другие товары категории