Wiska 1133/2/P

Wiska 1133/2/P

To order

Call our sales manager

Specify the price
Documentation
Brochure '1133/2 / P'
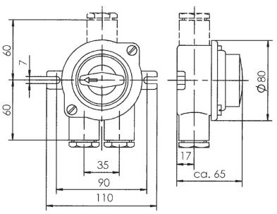
Wiska 1133/2/P is a brass version HNA switch. Equipped with 2 change-over contacts. An increased hermetic device, allows you to install a switch on open decks. Has a high resistance to corrosion.
The housing is made of materials that guarantee the protection of the internal mechanism of the Wiska 1133/2/P switch from external environmental influences. Degree of protection - IP56. The switch is equipped with cable entries M24x1.5 / Z14. Inside the case there is an additional grounding bolt.
Specifications:
  • Operating voltage 250 V
  • Degree of protection - IP56
  • Material - brass
  • Current - 16 A
  • Equipment - cable entry M24 x 1,5 / Z14,
  • Weight - 0.9 kg

Other category products