Магнетрон M1555
Магнетрон M1555
Под заказ
Уточняйте стоимость у менеджеров
Документация
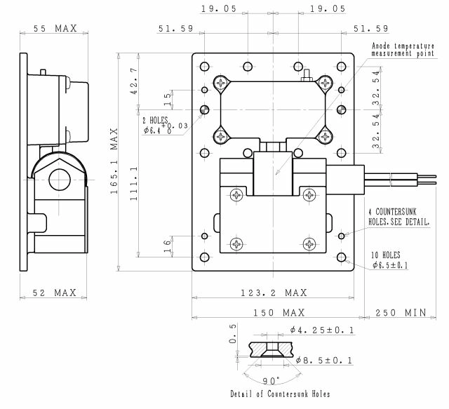
Магнетрон М1555
Магнетрон M1555 предназначен для S-диапазона радиолокационных станций с фиксируемыми частотами 3040 ~ 3060МГц. Максимальная выходная мощность составляет 30 кВт. Для входной мощности, большей чем 25 Вт, напряжение нагревателя должно быть уменьшено в течение 3 секунд.
Магнетрон M1555 гарантирует безопасность в обращении и эксплуатации. Качество продукции постоянно контролируется производителем. Магнетроны проходят обязательное тестирование на соответствие стандартам качества.
| Дополнительная информация |
| Сводная таблица магнетронов |
| Как заменить магнетрон на РЛС |
| Максимальный ток анода | 12 А |
| Максимальная входная мощность анода | 100 кВт |
| Длительность импульса | 1,0 мкс |
| Скорость нарастания напряжения импульса | 85 ° кВ / мкс |
| Температура анода | 120 °C |
| Напряжение нагревателя | 6,3 В |
Другие товары категории