Магнетрон M1437(A)

Магнетрон M1437(A)

Под заказ

Уточняйте стоимость у менеджеров

Уточнить стоимость
Документация
Магнетрон M1437(A)

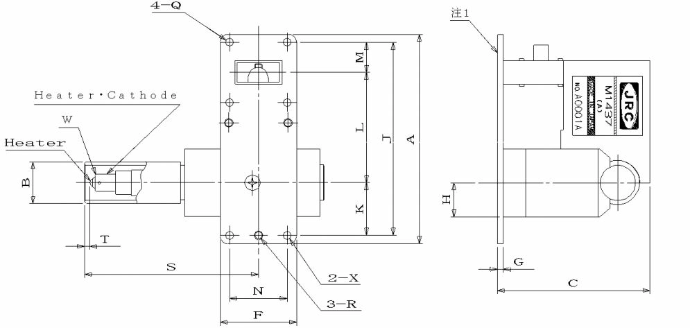
Магнетрон M1437(A) предназначен для работы в Х-диапазоне на частотах от 9380 до 9440 МГц с пиковой выходной мощностью 25 кВт. Магнетрон M1437(A)  бывает с принудительным воздушным охлаждением или с естественным воздушным охлаждением. В качестве предохранителя рекомендуется использовать TL393 или TL368A.

Магнетроны проходят обязательное тестирование на соответствие стандартам качества. Качество продукции постоянно контролируется производителем. 


Магнетрон M1437(A)Магнетрон M1437(A)

Дополнительная информация
Сводная таблица магнетронов
Как заменить магнетрон на РЛС

 


Диапазон частот 9380-9440 МГц
Максимальная выходная мощность 25 кВт
Длительность импульса 1 мкс
Рабочий цикл 0.001
Анодное напряжение 8 кВ
Максимальный анодный ток 8 А
Напряжение нагревателя 6.3 В
Ток нагревателя 0.52 А
Вес 1.5 кг

Другие товары категории