Датчик пожарной сигнализации SALWICO SWM-1KL 140

Датчик пожарной сигнализации SALWICO SWM-1KL 140

Под заказ

Уточняйте стоимость у менеджеров

Уточнить стоимость
Документация
SALWICO SWM-1KL 140

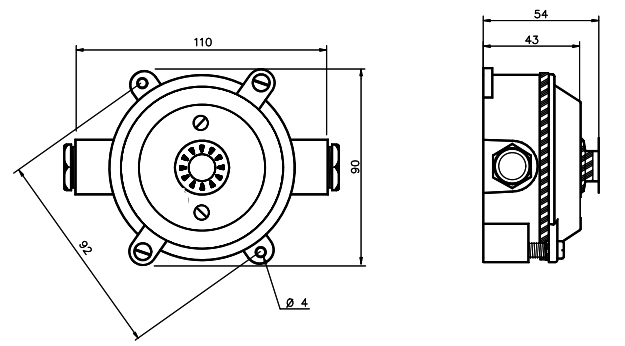
Датчик пожарной сигнализации SALWICO SWM-1KL 140SALWICO SWM-1KL 140 - датчик пожарной сигнализации, предназначенный для использования во влажных помещениях.  Он содержит биметаллический сенсор, который замыкает контакты при повышении температуры окружающей среды. 

SALWICO SWM-1KL 140 выполнен для сигнала тревоги при температуре более 140 °C. Детектор также доступен в версиях с более низким уровнем сигнала тревоги (57, 80 и 100 °С).

Номинальное напряжение 24 В постоянного тока
Рабочее напряжение 17 - 31 В постоянного тока
Рабочий ток 0,005 мА
Максимальный ток 100 мА при напряжении 24 В постоянного тока
Сопротивление сигнализации 470 Ом
Температура сигнализации 140 °C
Диапазон рабочих температур от -10 °C до +110 °C
Кабельные вводы 6 - 11 мм
Материал Алюминий
Степень защиты IP65
Вес 250 г

Другие товары категории