Система безбатарейной телефонной связи Zenitel VSP-213-L

Система безбатарейной телефонной связи Zenitel VSP-213-L

Под заказ

Уточняйте стоимость у менеджеров

Уточнить стоимость
Документация
Брошюра VSP-213-L 
Брошюра VSP-213M-L 

Безбатарейная телефонная система VSP-213-L – применяется для обеспечения экстренной связи. Для обеспечения работы аппарата не требуется подключение электропитания. 

Прочная и легкая конструкция телефонной системы не подвергается воздействию коррозии. Благодаря VSP-213-L производится высокое качество речи независимо от условий окружающей среды на борту судна. Подходит для установки в рулевой рубке или в диспетчерской комнате.

 Система  VSP-213-L одобрена DNV, RINA, РМРС, РКО, ABS и прошла испытания в соответствии с IEC60945.  

 Включает в себя 12-полосную систему состоящую из 12 основных станций с переключателем для избирательного вызова. Переключение может происходить между всеми подключенными станциями.

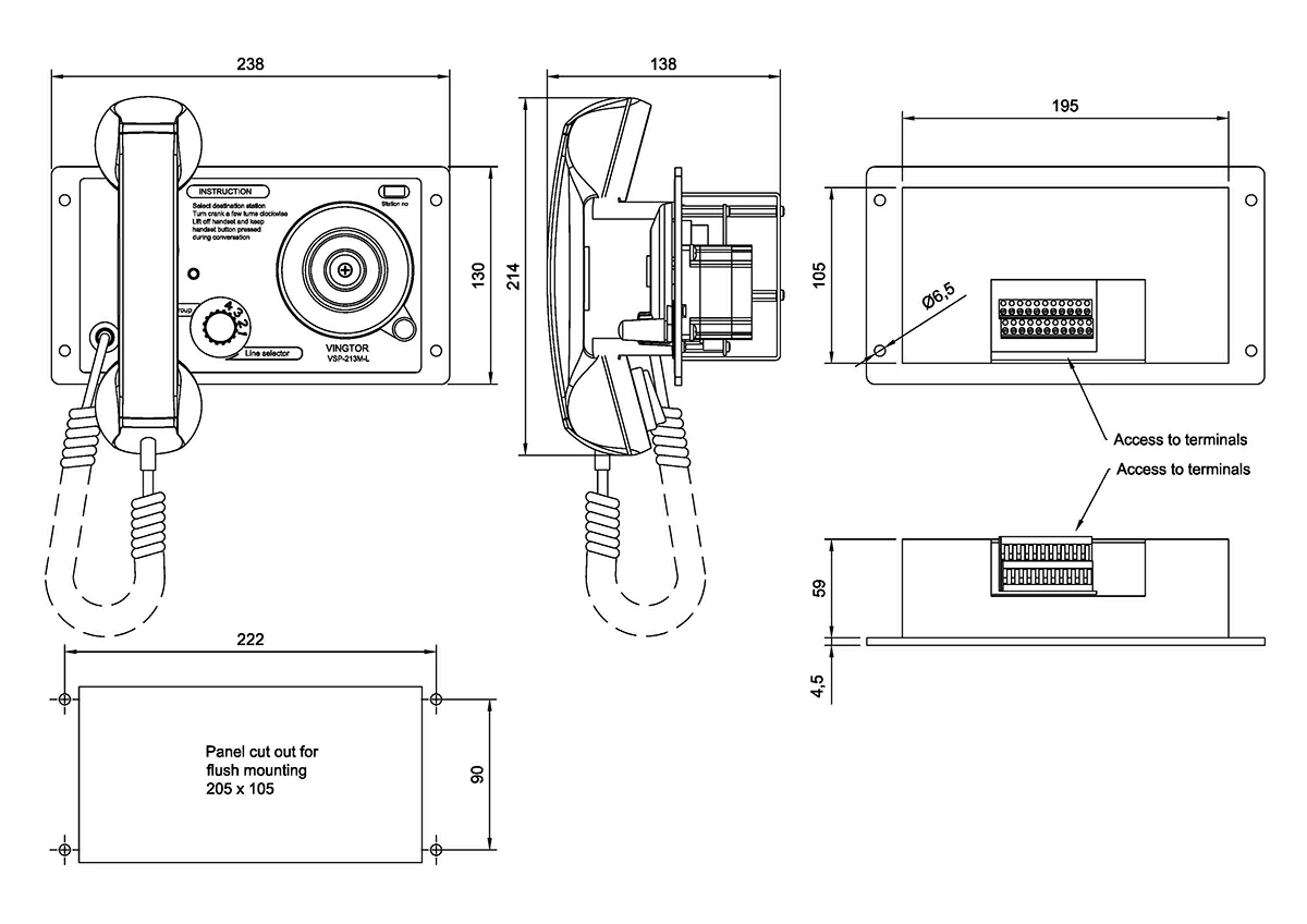
Zenitel VSP-213M-L телефонная станция 20 канальной системы VSP для установки в постах управления судовыми системами, каютах экипажа. На передней панели устройства расположены светодиодный индикатор вызова и встроенный переключатель на 20 направлений

Монтируется либо заподлицо с использованием деревянного корпуса VSPK, либо на стену с использованием монтажной коробки MBOX.

Отличительные особенности:

  • Панельный монтаж. 
  • Встроенная система усиления.
  • Высокое качество речи  .
  • Обеспечение компенсации шума .
  • Обеспечение выхода 24 В
  • Поддерживание гарнитуры  


Соединение Винтовые клеммы
Цвет Черный
IP-Рейтинг IP-44
Размеры (телефон и глубина) 238 х 205 х 137 мм
Размер панели выреза 205 х 105 мм
Вес 1,30 кг

Другие товары категории