Сетевая настройка SAILOR AIS, GNSS/DGNSS, Navtex и Панели управления.

28.04.2016
Внутренний номер документа 95-141788-A.
 
Область применения и идентификация.
 
Цель этого документа заключается в создании базового уровня для решения вопросов настройки сети SAILOR во внутреннюю и внешнюю конфигурацию связи. Документ поясняет наши рекомендации по использованию сети Ethernet между вышеперечисленными устройствами SAILOR. Дополнительно будет разработана инструкция для подключения Ethernet интерфейса к другим видам SAILOR, а также к устройствам 3го порядка.
 
Данная версия инструкции охватывает только избыточные сети Ethernet, подключаемые к внутренней сети устройств SAILOR, которые были указаны в названии документа. Описание взаимосвязи с устройствами 3го порядка от других производителей, таких как ЭКНИС, содержится в отдельной инструкции по эксплуатации.
 
Транспондер SAILOR 6282 АИС, Приемник SAILOR 6390 Навтекс, Приемник SAILOR 6588 GNSS / ДГНСС и Панель управления SAILOR 6004 – предоставляют собой устройства для избыточных топологий Ethernet, что бы повысить надежность работы этой сети.
 
Для того чтобы провести установку в соответствии с требованиями SOLAS, сертификаты продукции должны быть приняты во внимание во все время.
 
Для всех других аспектов установки, пожалуйста, обратитесь к руководству по установке для каждого отдельного устройства.
 
Пересмотр данных
 
Сетевая настройка SAILOR AIS, GNSS/DGNSS, Navtex и Панели управления.
 
Определения
 
 CP - SAILOR 6004 Панель управления
 
RSTP - Протокол Rapid Spanning Tree
 
ТМА - Управление приложениями Link Thrane, работает на ПК с ОС Windows, загрузить можно по адресу www.cobham/satcom в разделе Обслуживание и поддержка.
 
Приоритетные приложения - При установке приложений для панели управления SAILOR 6004, вы можете выбрать, может ли приложение быть установлено в качестве приоритетного. На каждой SAILOR 6004 по 2 Приложения могут быть выбраны в качестве приоритетных приложений. Эти приложения будут доступны как с помощью кнопки HOME, и с помощью кнопок быстрого доступа в нижней части экрана.
 
Технология RSTP
 
Блоки SAILOR, описанные в данном документе, используют технологию RSTP в своих сетевых интерфейсах. Преимуществом технологии RSTP является избыточность при определенных условиях. Это позволит в случае сбоя соединения автоматически активировать реконфигурации сети в течение 1-6 секунд, которые, как правило, позволит подключенным устройствам продолжить соединение без прерывания обслуживания.
 
RSTP требует, чтобы устройство, как минимум, имело 2 порта Ethernet для подключения к другим устройствам.
 
Настройка RSTP должна быть доступна на всех устройствах в сети.
 
 RSTP в продукции SAILOR
 
 Нижеперечисленные устройства SAILOR по умолчанию доступны для RSTP и, следовательно, могут определять и использовать избыточные Ethernet сети:
 
Сетевая настройка SAILOR AIS, GNSS/DGNSS, Navtex и Панели управления.
 
Если устройства нет в списке, то оно не может быть использовано ни в одной из топологий.
 
Примечание: Убедитесь, что все устройства имеют по крайней мере необходимые версии прошивки. Использование устройств с более старыми прошивками может поставить под угрозу избыточность, ухудшить производительность машинного интерфейса, и даже ухудшить функциональность устройств SAILOR.
 
Примечание: Подключение устройств, не перечисленных ни к одной из PSTP топологий, может поставить под угрозу избыточность, снижать производительность из приложений работающего интерфейса, и даже ухудшают функциональность устройств SAILOR.
 
Примечание: Следует помнить, что кабели Ethernet обеспечивает только избыточность, если они физически отделены друг при друга в установке.
 
 
 
Рекомендуемые топологии, которые используют RSTP
 
В этой главе перечислены несколько топологий для сетевых устройств, перечисленных в таблице выше.
 
Не все перечисленные топологии соответствуют SOLAS, смотри таблицу ниже:
 
Сетевая настройка SAILOR AIS, GNSS/DGNSS, Navtex и Панели управления.
 
Примечание: В настоящее время нет протокола интерфейса для управления SAILOR BDUs через Ethernet от блоков управления не являющимися SAILOR. Каждый SAILOR BDU поддерживает несколько NMEA / UART команд, для обеспечения работы с таким оборудованием 3го порядка как ЭКНИС, пожалуйста, обратитесь к инструкции по эксплуатации для конкретных BDU's.
 
Топология 1: 2 устройства
 
В этой топологии, система будет продолжать работать, даже если один из двух кабелей случайно будет вынут или разломан, из-за механического или электрического напряжения. При установке 2 кабеля постоянно соединены между 2 устройствами. Порядок используемых портов не имеет значения.
 
Следующие три рисунка показывают ту же самую установку в различных условиях:
 
На рисунке 1 показана установка.
 
Рисунок 2
 
а) показывает нормальную работу, где оба кабеля могут использоваться протоколом RSTP через  Ethernet кабель 1.
 
б) показывает, что в Ethernet кабеле 1 обнаружен сбой, и протокол RSTP использует Ethernet-кабель 2. Переход между двумя состояниями происходит автоматически.
 
Сетевая настройка SAILOR AIS, GNSS/DGNSS, Navtex и Панели управления.
 
Сетевая настройка SAILOR AIS, GNSS/DGNSS, Navtex и Панели управления.
 
 
Топология 2: AIS, Навтекс и 1 Панель управления
 
Для того, чтобы иметь надежную систему, 3 кабеля используются в кольцевой топологии. Порядок подключения не имеет значения. Система всегда будет посылать пакеты наиболее эффективным способом.
 
Сетевая настройка SAILOR AIS, GNSS/DGNSS, Navtex и Панели управления.
 
Примечание: Эта топология не рекомендуется, так как может произойти сбой в SAILOR 6004. Панель управления приведет к потере контроля над SAILOR 6282 АИС транспондером и SAILOR 6390 Навтекс приемником. Топология 3 может решить эту уязвимость.
 
Топология 3: AIS, Навтекс и 2 панели управления:
 
Чтобы иметь надежную систему используется 4 кабеля  в кольцевой топологии. Порядок подключения имеет важное значение для случаев, когда происходит более 1 перерывания связи.
 
Сетевая настройка SAILOR AIS, GNSS/DGNSS, Navtex и Панели управления.
 
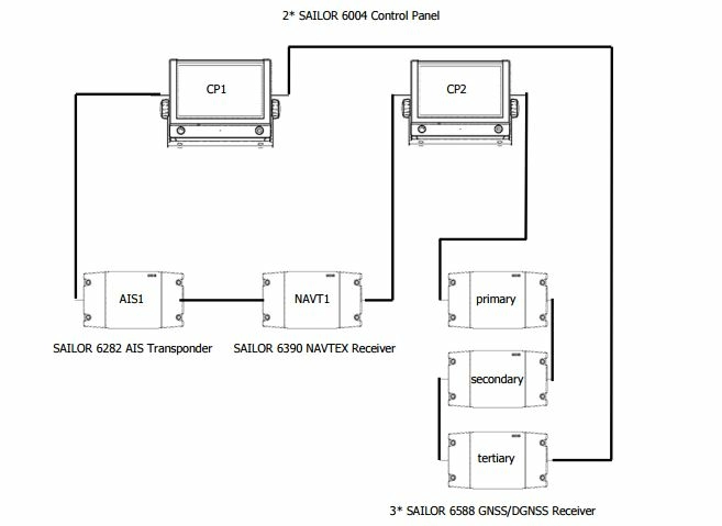
Топология 4: АИС, НАВТЕКС, 3 ДГНСС и 2 Панели управления
 
 Для того, чтобы иметь надежную систему, используются 7 кабелей в кольцевой топологии. Порядок подключения имеет важное значение для случаев, когда происходит более 1 прерывания связи.
 
Сетевая настройка SAILOR AIS, GNSS/DGNSS, Navtex и Панели управления.
 
Установка приложений на панелях управления SAILOR 6004 рекомендуется производить следующим образом:
 
Сетевая настройка SAILOR AIS, GNSS/DGNSS, Navtex и Панели управления.
 
Топология 5: АИС, НАВТЕКС, 3 ДГНСС и 3 Панели управления
 
Для того, чтобы иметь надежную систему, подключены 7 кабелей в кольцевой топологии. Порядок подключения имеет важное значение для случаев, когда происходит более 1 перерывания связи.
 
Сетевая настройка SAILOR AIS, GNSS/DGNSS, Navtex и Панели управления.
 
Установка приложений на панелях управления SAILOR 6004 рекомендуется следующим образом:
 
Сетевая настройка SAILOR AIS, GNSS/DGNSS, Navtex и Панели управления.
 
Тестирование и техническое обслуживание
 
Подключение сервисного ПК
 
 Для подключения вашего сервисного ПК к системе, необходимо отсоединить один кабель от одного устройства и подключить его к компьютеру, как показано на рисунке ниже.
 
Сетевая настройка SAILOR AIS, GNSS/DGNSS, Navtex и Панели управления.
 
Начальная настройка системы
 
1. Проверьте правильность версии прошивки для каждого устройства: Используйте ваш сервисный компьютер и приложение TMA. В случае имеющихся запросов на обновления встроенного программного обеспечения: выполнить обновление встроенного программного обеспечения до создания кольцевой топологии.
 
2. Установите необходимые устройства в выбранную топологию и подключите все кабели.
 
3. Установите приложения MMI для AIS, GNSS / ДГНСС и / или Navtex в панелях управления, как описано в руководствах пользователя.
 
Тестирование системы резервирования
 
4. Откройте Приложения MMI для Navtex и / или AIS, чтобы проверить на наличие ошибок или неправильной конфигурации.
 
5. Когда вы перейдете в безошибочное состояние, отсоедините один конец любого из кабелей Ethernet в кольце и убедитесь, что не появляется надпись «соединение потеряно» на любой из панелей управления для AIS, GNSS / ДГНСС или Navtex.
 
6. Снова подключите кабель и повторите проверку на  тип ошибки 'Потеряно соединение'.
 
7. Повторите шаги 5) и 6) для каждого из кабелей Ethernet в кольце.
 
8. В течение всей процедуры, на выявление ошибки 'потеряно соединение '.
 
9. При отключении двух Ethernet-кабелей в кольце, по меньшей мере, одна панель управления должна показывать ошибку.
 
Поиск и устранение неисправностей
 
Если проверка системы показывает ошибку 'потеряно соединение', когда один из соединительных кабелей Ethernet отключен: один или несколько других кабелей линии связи Ethernet подвергаются сбою.
 
Если только один кабель Ethernet подвергнут сбою, система будет продолжать функционировать без тревоги, поскольку RSTP избегает использования дефектного кабеля. В таком состоянии ошибка 'Потеряно соединение' возникнет, если дополнительно удалить еще один кабель. Поэтому дефектный кабель является тот, который вы можете удалить из системы, не вызывая ошибку 'потеряно соединение'.
 
Если несколько Ethernet связующих кабеля подвергнуты сбою, вы должны повторить шаги 5-8 для всех кабелей, пока не перестанет отражаться «соединение потеряно».


Возврат к списку