Виды и области применения полупроводниковых диодов

Виды и области применения полупроводниковых диодов


  • Выпрямление (Rectification)


    Назначение и отличия: Выпрямительные диоды преобразуют переменный ток (AC) в постоянный (DC). В отличие от сигнальных диодов, они спроектированы для работы с большими токами и высокими напряжениями, выступая в роли мощных односторонних электрических клапанов.
    Виды и области применения полупроводниковых диодов
    Где применяется: Используются в классических блоках питания. Могут применяться в виде одного диода (полупериодное выпрямление с эффективностью 50%), двух диодов (для трансформаторов со средней точкой) или в конфигурации из четырех диодов (диодный мост), которая обеспечивает 100% эффективность использования трансформатора без необходимости вывода средней точки.

  • Защита от статики (ESD Protection)


    Назначение и отличия: TVS-диоды (супрессоры) предназначены для поглощения кратковременных разрушительных скачков напряжения и статического электричества. В отличие от обычных диодов, в нормальном состоянии они находятся в закрытом режиме и молниеносно открываются за наносекунды только тогда, когда напряжение превышает безопасный порог.
    Виды и области применения полупроводниковых диодов
    Где применяется: Устанавливаются параллельно незащищенным линиям данных, USB-портам и шинам интерфейсов. При ударе статики TVS-диод принимает энергию на себя, замыкая высоковольтный импульс на землю и спасая чувствительные внутренние микросхемы от пробоя.

  • Световая индикация (LED Indication)


    Назначение и отличия: Светодиоды (LED) преобразуют протекающий через них электрический ток в видимый свет. Их ключевое отличие от обычных полупроводников — склонность к тепловому пробою: внутреннее сопротивление кристалла падает при нагреве, поэтому без ограничения тока светодиод мгновенно перегорит.
    Виды и области применения полупроводниковых диодов
    Где применяется: Используются в цепях индикации, дисплеях и освещении. В схемах они всегда подключаются последовательно с токоограничивающим резистором (для маломощных применений) или управляются специальными драйверами с ШИМ-регулировкой (для мощных RGB-матриц и прожекторов).

  • Защита от переполюсовки (Reverse Protection)


    Назначение и отличия: Эта защита блокирует протекание тока, если пользователь перепутал полярность источника питания (например, вставил батарейки наоборот). Для этой задачи чаще всего выбирают диоды Шоттки, так как их минимальное падение напряжения (около 0.3В) позволяет не тратить энергию аккумулятора впустую на нагрев защитного элемента.
    Виды и области применения полупроводниковых диодов
    Где применяется: Применяется в портативной электронике и автомобильных системах. Диод устанавливается последовательно в плюсовую линию между источником питания и самой схемой. Правильная полярность открывает диод, неверная — наглухо его запирает.

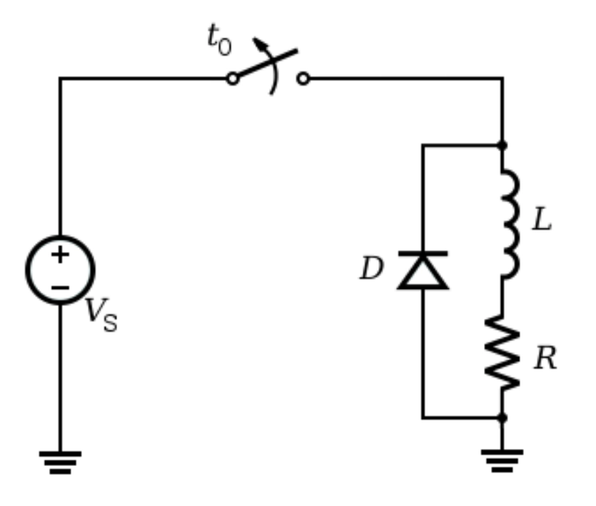
  • Защита от индуктивных выбросов (Flyback Protection)


    Назначение и отличия: Flyback-диоды гасят разрушительную обратную ЭДС (до 1000 вольт), которая возникает при резком отключении индуктивных нагрузок. Этот диод вообще не участвует в нормальной работе схемы, он активируется только в момент выключения питания, спасая управляющие ключи.
    Виды и области применения полупроводниковых диодов
    Где применяется: Устанавливается строго параллельно катушкам электромеханических реле, соленоидам и электромоторам (катодом к плюсу питания). При размыкании цепи диод открывается и создает безопасный замкнутый контур, в котором накопленная магнитная энергия плавно затухает.

  • Опорное напряжение (Voltage Reference)


    Назначение и отличия: Стабилитроны (диоды Зенера) работают в уникальном режиме — режиме обратного пробоя. Они способны поддерживать на своих выводах строго заданное, эталонное напряжение (например, 2.5В или 5В) независимо от того, как меняется входной ток.
    Виды и области применения полупроводниковых диодов
    Где применяется: Используются в связке с балластным токоограничивающим резистором. Применяются в качестве источников эталонного напряжения для аналого-цифровых преобразователей (АЦП), измерительных мультиметров и стабилизированных блоков питания.

  • Быстрое восстановление (Fast Recovery)


    Назначение и отличия: Диоды быстрого восстановления минимизируют потери энергии в высокочастотных схемах. Обычные выпрямители при смене полярности не успевают закрыться мгновенно (пропуская обратный ток), а Fast Recovery диоды делают это за десятки наносекунд, предотвращая сильный нагрев.
    Виды и области применения полупроводниковых диодов
    Где применяется: Критически важны для вторичных цепей импульсных блоков питания (SMPS), высокочастотных DC-DC преобразователей и драйверов электродвигателей, где частота переключения транзисторов превышает 100 кГц.

  • Диоды Шоттки (Schottky)


    Назначение и отличия: Вместо p-n перехода здесь используется контакт «металл-полупроводник», что наделяет диод двумя суперсилами: экстремально низким падением напряжения (от 0.2В) и практически полным отсутствием времени обратного восстановления. Отличие от Fast Recovery в том, что Шоттки еще быстрее, но редко выдерживают напряжения выше 100В.
    Виды и области применения полупроводниковых диодов
    Где применяется: Идеальны для энергоэффективных низковольтных цепей, высокоскоростных импульсных блоков питания, радиочастотных детекторов и систем сдвига логических уровней.

Применение диодов

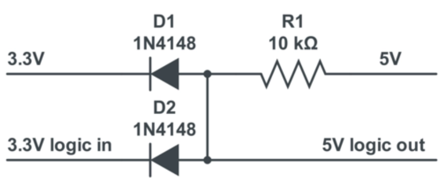
  • Сдвиг уровней (Level Shifting)


    Назначение и отличия: Сдвиг уровней позволяет безопасно передавать цифровые сигналы между микросхемами с разным напряжением (например, от 5В к 3.3В). В этом паттерне используется естественное падение напряжения на самом диоде, которое выступает в роли точного «срезающего» инструмента.
    Виды и области применения полупроводниковых диодов
    Где применяется: Используется в шинах данных при соединении разных логических семейств (TTL и CMOS). Диод (обычно Шоттки) устанавливается в линию сигнала, а выход подтягивается резистором к нужному низкому уровню питания (например, 3.3В), гарантируя, что 5-вольтовый сигнал не сожжет чувствительный порт.

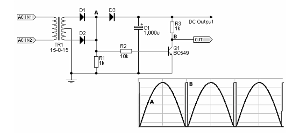
  • Детектор перехода через ноль (Zero-Cross)


    Назначение и отличия: Эта техника позволяет точно определить момент, когда синусоида переменного сетевого тока пересекает нулевую отметку. Диоды в этой конфигурации работают как сверхбыстрые аналоговые компараторы, реагирующие на малейшую смену полярности.
    Виды и области применения полупроводниковых диодов
    Где применяется: Применяется в схемах диммеров, твердотельных реле и системах управления AC-моторами. Диоды выпрямляют сигнал от трансформатора и управляют базой транзистора, который формирует четкий цифровой импульс строго в момент безопасного нулевого напряжения, снижая искрение контактов и радиопомехи.

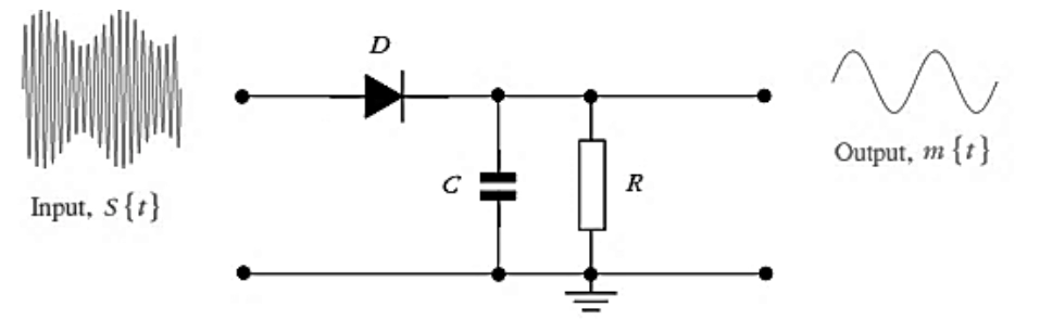
  • Демодуляция сигнала (Signal Demodulation)


    Назначение и отличия: Демодуляторы извлекают полезный низкочастотный сигнал (звук) из высокочастотной радиоволны. Здесь требуются германиевые диоды (например, 1N34A) или Шоттки с очень низкой паразитной емкостью, способные реагировать на микроскопические изменения амплитуды.
    Виды и области применения полупроводниковых диодов
    Где применяется: Основа классического AM-радиоприемника (детектор огибающей). Диод работает как высокочастотный выпрямитель, пропуская только положительные пики радиоволны, а подключенный за ним RC-фильтр (резистор и конденсатор) сглаживает несущую частоту, оставляя на выходе чистый аудиосигнал.

  • Детектирование пиков (Peak Detection)


    Назначение и отличия: Пиковые детекторы захватывают и «запоминают» максимальное значение быстро меняющегося аналогового сигнала. Диод выступает в роли одностороннего клапана, который впускает электрический заряд внутрь, но не дает ему вытечь обратно при спаде сигнала.
    Виды и области применения полупроводниковых диодов
    Где применяется: Используется в измерительной технике (осциллографах) и системах автоматической регулировки усиления (AGC). Через Диод заряжается конденсатор до пикового напряжения входного сигнала. Напряжение удерживается на конденсаторе до тех пор, пока его не считает операционный усилитель или АЦП.

  • Диодное ИЛИ / Резервирование (OR-ing Diode)


    Назначение и отличия: OR-ing диоды создают отказоустойчивые системы питания, позволяя объединить основную сеть и резервную батарею без их конфликта. Они работают как автоматические стрелочники, пропуская ток только от источника с наибольшим напряжением.
    Виды и области применения полупроводниковых диодов
    Где применяется: В серверах и медицинских приборах. Аноды двух диодов подключаются к разным источникам питания, а катоды объединяются на нагрузке. Это обеспечивает бесшовное переключение на батарею при отключении сети и блокирует опасное перетекание тока обратно в розетку.

  • Умножитель напряжения (Voltage Multiplier)


    Назначение и отличия: Умножители (и Charge Pumps) позволяют повысить входное переменное напряжение в 2 и более раз, либо создать отрицательное напряжение без использования громоздких трансформаторов. Диоды здесь работают в паре с конденсаторами.
    Виды и области применения полупроводниковых диодов
    Где применяется: Применяются для питания специфических компонентов (подсветки ЖК-дисплеев, операционных усилителей, радиоламп). Диоды поочередно заряжают конденсаторы на разных полуволнах входного сигнала, а затем эти заряды суммируются, выдавая на выход удвоенное пульсирующее напряжение.

  • Температурный датчик (Temperature Sensing)


    Назначение и отличия: Этот метод использует фундаментальное физическое свойство кремниевого p-n перехода: при нагреве на 1°C его прямое падение напряжения линейно снижается примерно на 2 мВ. Благодаря этому любой стандартный диод превращается в дешевый и точный термометр.
    Виды и области применения полупроводниковых диодов
    Где применяется: Используется для управления автомобильными вентиляторами охлаждения, в системах HVAC и схемах термозащиты промышленного оборудования. Диод запитывается стабильным микротоком (чтобы избежать саморазогрева), а схема считывает изменения его напряжения.

  • Логические элементы (Logic Gates)


    Назначение и отличия: Диодно-резисторная логика позволяет собрать базовые цифровые операции (И / ИЛИ) из дискретных деталей без применения сложных микросхем. Диоды здесь работают как простейшие переключатели, управляемые уровнями входного напряжения.
    Виды и области применения полупроводниковых диодов
    Где применяется: Для создания логического вентиля «ИЛИ» (OR) аноды диодов подключаются к источникам сигнала, а катоды объединяются на выходе, который подтянут резистором к земле. Если хотя бы на один вход приходит высокий сигнал (HIGH), диод открывается и передает его на выход.

  • Ограничение уровня / Клампинг (Clamping)


    Назначение и отличия: Clamping-схемы мягко ограничивают («срезают») размах аналогового сигнала, не давая ему выйти за безопасные рамки. В отличие от TVS-диодов, они борются не с киловольтными ударами статики, а с постоянным незначительным превышением рабочего напряжения микросхемы.
    Виды и области применения полупроводниковых диодов
    Где применяется: Классическая схема защиты входов микроконтроллеров и АЦП. Два диода образуют делитель: если сигнал превышает напряжение питания, верхний диод открывается и сбрасывает излишек на плюсовую шину (VDD); если сигнал уходит ниже нуля, нижний диод сбрасывает его на землю (GND).

  • Детектирование света (Light Detection)


    Назначение и отличия: Фотодиоды преобразуют падающие на кристалл фотоны в электрический ток. В отличие от светодиодов, они работают на поглощение. Их уникальность в том, что при приложении к ним обратного напряжения (фотокондуктивный режим) они способны реагировать на свет за наносекунды.
    Виды и области применения полупроводниковых диодов
    Где применяется: Используются в оптоволоконной связи, лазерных детекторах и системах автоматического уличного освещения. В уличных фонарях фотодиод (или LDR) управляет базой транзистора: при наступлении темноты сопротивление датчика растет, открывая транзистор и включая свет.

  • Радиочастотное смешивание (RF Mixing)


    Назначение и отличия: Диодные смесители переносят радиосигнал с одной частоты на другую (повышают или понижают ее). Диоды используются в качестве нелинейных элементов, которые математически перемножают два входных сигнала, генерируя на выходе их сумму и разность.
    Виды и области применения полупроводниковых диодов
    Где применяется: Сердце всех супергетеродинных радиоприемников и передатчиков. Высокочастотный сигнал от антенны и сигнал от внутреннего генератора (LO) подаются на кольцевую сборку из сверхбыстрых диодов (обычно Шоттки), создавая нужную промежуточную частоту для дальнейшей обработки.

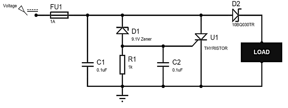
  • Схема «Монтировка» (P.S Crowbar)


    Назначение и отличия: Crowbar обеспечивает самую радикальную и брутальную защиту от перенапряжения в силовых блоках питания. Название «монтировка» отражает принцип действия: схема намеренно устраивает жесткое короткое замыкание на выходе, чтобы спасти дорогостоящую нагрузку.
    Виды и области применения полупроводниковых диодов
    Где применяется: Защита серверов и дорогой аппаратуры от пробоя силовых транзисторов блока питания. Состоит из стабилитрона и мощного тиристора (SCR). Если напряжение превышает норму, стабилитрон открывает тиристор. Тиристор намертво закорачивает плюсовую шину на землю, мгновенно пережигая входной плавкий предохранитель.

Возврат к списку