Прибор приемоконтрольный DMS-112 (ППК-112)
Прибор приемоконтрольный DMS-112 (ППК-112)
Под заказ
Уточняйте стоимость у менеджеров
Документация
Буклет Unicont DMS-112
Инструкции по эксплуатации
Инструкции по эксплуатации
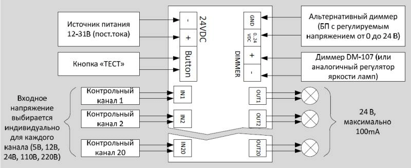
Прибор приемоконтрольный (10/20 каналов) DMS-112 предназначен для индикации наличия напряжения (от 5 до 220В) и плавной регулировки яркости одним диммером до 20 ламп (с максимальной мощностью каждой лампы до 2,4 Вт).
DMS-112 контролирует присутствие напряжения (5 – 220В) на 20 контрольных каналах («IN») и индицирует состояние каждого канала на соответствующую контрольному каналу лампу подключенную к выходу контрольного канала («OUT»).
DMS-112 позволяет настроить напряжение контрольного канала индивидуально для каждого канала (5 – 220В). Устройство позволяет регулировать яркость всех ламп индикации состояния каналов одним диммером.
DMS-112 выполнен в пластиковом корпусе со встроенным креплением на стандартную DIN-рейку шириной 35мм.

| Напряжение питания | 10..31 В постоянного тока |
| Максимальный ток потребления | 2 А |
| Напряжение входного сигнала (портов «IN») | 4,5 – 310 В постоянного тока; 4 – 220 В переменного тока |
| Варианты настройки напряжения входного сигнала | 5 В, 12 В, 24 В, 110 В, 220 В |
| Напряжение на выходах для подключения ламп | 24 В постоянного тока |
| Максимальный ток потребления каждой лампы | 100 мА |
| Количество подключаемых ламп | 20 |
| Габаритные размеры | 285 х 126 х 60 мм |
| Температура хранения | -55..+75°С |
| Рабочая температура | -25..+55°С |
| Масса | 0,55 кг |
В стандартный комплект входит:
| Система индикации наличия напряжения (5-220V) и регулировки яркости одним диммером до 20 ламп разных номиналов напряжения. |
Аналоги